Yach.com
|
Chinese
|
Feedback
+86-136-1171-4696; 13701859729
Contact
RF Home
About Us
RF News
Product News
Events
Bias Tees
What's A Bias-T?
Bias Tee
DC Blocks
RF Amplifiers
Low Noise Amplifiers
Power Amplifiers
RF Switches
PIN Diode Switches
Matrix Switches
Coax Mechanical Switches
Waveguide Switches
RF Components
Cables Assemblies
RF Rotary Joints
Circulators
Connectors
Absorbers
Adapters
Attenuators
Couplers
Detectors
Filters
Frequency Multipliers
Frequency Sources
Isolators
Mixers
Phase Shifters
Power Dividers
Limiters
Terminations
Tools
Waveguides
Rotary Positioners
Training Radars
Testing Equipments
Probes
Antennas
Equalizers
Waveguide Coaxial Converters
Waveguide Flange Adapters
Parallel Reflectors
RF Solutions
Chambers & EMC
Contact
Resources
Feedback
Yach Supports
RF Switches
PIN Diode Switches
Coax Mechanical Switches
Waveguide Switches
Matrix Switches
450 MHz to 4 GHz N Bia
10 MHz to 6 GHz SMA Bi
450 MHz to 4 GHz N Bia
10 MHz to 4 GHz N Bias
450 MHz to 4 GHz N Bia
News & Events
LNA775128 0.5~4
How many kinds
Will the insert
How to choose a
How does a low
搜索
首页
>
RF Switches
WG004波导开关
WG003波导开关
WG002波导开关
WG001波导开关
SP8T 吸收式同轴开关 SW516177
SP8T 同轴开关 SW516163
SP8T 同轴开关 SW516148
SP8T 同轴开关 SW516136
SP6T 吸收式同轴开关 SW516171
SP6T 反射式同轴开关 SW516170
SP4T 同轴开关 SW516188 高隔离
SP4T 吸收式同轴开关 SW516182
SP4T 反射式同轴开关 SW516167
SP4T 反射式同轴开关 SW516166
SP4T 同轴开关 SW516159
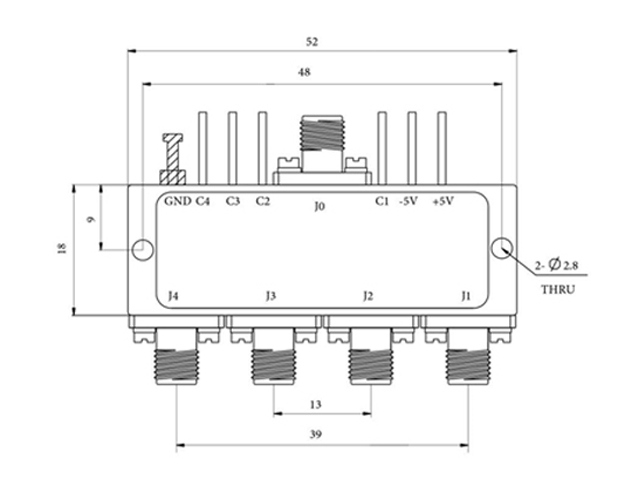
SP4T 同轴开关 SW516144
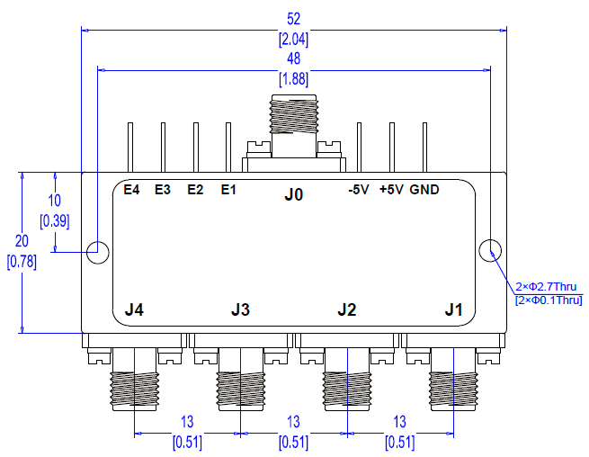
SP4T 同轴开关 SW516130
SP4T 同轴开关 SW515207
总数:120条 当前页数:
3
/7
首页
上一页
1
2
3
4
5
...
下一页
尾页
请添加微信