隔离器与环形器在5G中的应用

一、基本介绍
1.基站核心器件
整个移动通信系统一般由移动通信基础设备、移动通信覆盖系统、移动通信终端产品三大部分组成(如图所示)。
基站属于移动通信基础设备,一个标准的基站通常由铁塔、基站天线及馈线和基站系统等器件组成。
建造高塔使无线电信号在干扰最小的情况下通过基站天线接收。
天线将接收到的电磁信号转换为交流电。
馈线又称电缆线即连接基站天线与基站收发信号设备的射频传输线,仅能传输信号,而不能处理信号。
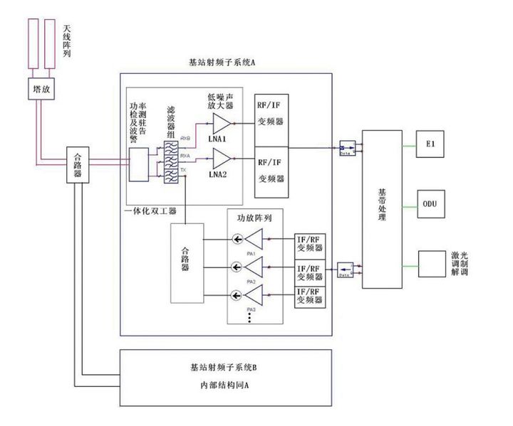
基站系统通常由射频前端、基站收发信机及基站控制器等组成。其中射频前端负责信号的过滤及隔离,基站收发信机负责信号的接收、发送、放大和缩小,基站控制器负责信号的分析、处理及基站控制。具体见下图。
射频子系统除包括滤波器、双工器外,还包括隔离器、功分器、合路器、耦合器、驻波比报警器、低噪声放大器等部件。
隔离器:使正向传输的微波信号以很小的损耗通过,反向传输的微波信号则不能通过。
功率分配器(power divider)是一种将一路输入信号能量分成两路或多路输出相等或不相等能量的器件。一个功分器的输出端口之间应保证一定的隔离度。
合路器:将两路或多路输入信号合并成一路,合路器一般用于发射端,其作用是将两路或者多路从不同发射机发出的射频信号合为一路送到天线发射的射频器件,同时避免各个端口信号之间的相互影响。合路器一般有两个或多个输入端口,只有一个输出端口。
驻波比报警器:由定向耦合器和检测控制电路构成,用于监视天线系统的匹配状态,能够指示故障,保护系统不受反射过大造成的设备损坏。
低噪声放大器:将接收到的微弱信号经过滤波器过滤后,线性放大以便后续变频设备及基带的处理,具有一定选频功能,其自身噪音较小。
2.基站处理移动信号机理
基站将从手机收到的信号传给交换处理设备,交换处理设备经过处理再发送给基站,之后由基站发送给目标手机,就完成了一次通信。典型的基站示意图如下:
基站处理移动通信信号的机理:对于手机发射、基站接收的通信信号上行通路:由主集(RXA与TX构成)天线和分集(RXB)天线接收到手机的发射信号后,经塔顶放大器放大后传送给机房内的一体化双工器,信号通过双工器中滤波器滤波后经RXA(上行通路的接收端口)和RXB(上行通路的分集端口)送入低噪声放大器进行放大,然后经RF/IF变频器将射频信号转换成中频信号并送解调电路进行数据(Data)解调,数据流通过基带处理电路处理后由双绞线(E1)、微波传输室外单元(ODU)或光缆传送至交换处理设备。
对于基站发射,手机接收的通信信号下行通路:由交换处理设备送来的信号经基带处理电路处理后传递给调制器进行信号调制,完成调制的中频信号经IF/RF变频器进行频率搬移,变换成射频信号后由功放进行放大,合路后经TX(下行通路的发射端口)送入一体化双工器中的发射滤波器滤波,然后经告警检测电路、与其他载波合路后送往天馈系统进行信号发射。
二、基本原理
环行器又叫循环器,显著特点为能够单向传输高频信号能量。一般环形器拥有数个端口,信号按照由静偏磁场确定的方向顺序传入下一个端口,只能沿这一确定方向传播,无法反顺序传输。鉴于这一特性,环形器用于发射信号和接收信号之间的隔离,常见于雷达、有源电子扫描天线(AESA)阵列、卫星通信及电信等领域。
环行器单向传输的原理,是由于采用了铁氧体旋磁材料。这种材料在外加高频波场(网络分析仪所发出的测量信号)与恒定磁场共同作用下,产生旋磁特性(又称张量磁导率特性)。
正是这种旋磁特性,使在铁氧体中传播的电磁波发生极化的旋转(法拉第效应),以及电磁波能量强烈吸收(铁磁共振),正是因为铁氧体隔离器利用了电磁波在有外加直流磁场的旋磁铁氧体材料中传输时极化平面发生旋转的法拉第旋转效应。
经过适当设计,使正向传输时电磁波极化平面与接地电阻性插板垂直,因而衰减很小,反向传输时电磁波极化平面与接地性电阻插板平行,几乎完全被吸收,所以利用这个旋磁现象,制做出结型环行器,将环行器的任意一端加一个负载(衰减片)就是隔离器。
如果两个或多个隔离器、环行器串联或并联在一起就叫环行隔离组件。它具有体积小、频带宽、插损小等特点,因而应用十分广泛。
在无线接入网中,环形器主要用于基站天线输出信号与输入信号的隔离。具体用途上,环形器与其他器件配合,可以实现如下功能:
(1)作为天线共用器使用;
(2)与拥有迅速衰减性的BPF组合用于分波电路;
(3)将终端电阻连接在环形器外部,作为隔离器,即信号由指定端口输入、输出;
(4)连接外接ATT,作为带反射功率检测功能的环形器使用。
三、产业链
环形器和隔离器对应的产业链上下游如下图所示:
铝材、银材、铜材是射频器件行业生产制造过程中重要的原材料,约占生产成本的20%。原材料价格的波动对射频器件行业的生产成本影响较大。有色金属的供应能够保障行业的生产需求。但有色金属价格的形成主要受期货市场的影响,行业没有议价能力,且相关有色金属材料价格的波动较大。
由于下游通信设备行业的集中度较高,导致移动通信基站射频器件的客户集中度较高。从全球份额的分布来看,目前全球通信主设备市场从原先的十多家群雄逐鹿,演变到目前华为、爱立信、新诺基亚、中兴四足鼎立的竞争格局。
四、市场规模
5G关键技术Massive MIMO(Multi Input Multi Output多输入多输出)通道翻倍增加,带来环形器用量大幅攀升。理论上,天线振子间距须大于半个波长,而信号波长与频谱成反比。
中国5G主流中频段3.5GHz 和4.9GHz决定了波长较高频长,使得5G网络天线产品难以进一步小型化。基于此,可以合理推测5G基站将以64通道(64T64R)的Massive MIMO为主,较4G的4T4R-FDD或者8T8R-TDD通道数增加了8-16倍。
5G时代,环形器需求量将随着Massive MIMO的应用而大幅增加。4G时期,主流的宏基站天线方案为8T8R的8通道方案;进入5G时期,主流的宏基站天线方案或将为单面天线集成64通道的Massive MIMO方案,而且部分场景下可能使用更大规模的天线阵列。
经过测算:5G时期环形器在国内基站端的市场空间有望达到115亿元。测算的假设与推断:
根据5G采用频率与组网方式,5G宏基站数量将为4G时期的1.3-1.5倍,假设5G基站建设节奏与4G时期类似,则5G宏基站建设将在2025年基本完成,届时总基站数量将达500万站;
每个基站设立3个天线扇面;
主流天线方案为64通道,若后续采用更大规模天线阵列,则实际市场空间将比测算值更大;
环形器保证基站天线输出信号与输入信号的隔离,当前单通道环形器价值量约为14元。参考4G时期环形器厂商毛利率下降的趋势,环形器价格按照一定速度下降。
综上,预计建设周期(2019-2025年)内,国内5G基站环形器市场空间有望达到115亿元,高峰期市场规模达30亿元。
五、竞争对手
环形器市场主要玩家来自日韩、欧美。日本的TDK、日立金属,韩国的Partron,欧美的Skyworks、SDP均是重要的海外厂商。国产厂商主要为华扬通信(天和防务旗下)及国睿科技等。
1.日本TDK
TDK株式会社是一家领先的电子公司,总部位于日本东京。公司成立于1935年,主营铁氧体,是一种用于电子和磁性产品的关键材料。TDK的主力产品包括陶瓷电容器、铝电解电容器、薄膜电容器、磁性产品、高频元件、压电和保护器件、以及传感器和传感器系统(如:温度和压力、磁性和MEMS传感器)等各类被动元器件。
此外,TDK还提供电源和能源装置、磁头等产品。产品品牌包括TDK、爱普科斯(EPCOS)、InvenSense、Micronas、Tronics以及TDK-Lambda。TDK重点开展如信息和通信技术、汽车和工业以及消费电子市场领域。公司在亚洲、欧洲、北美洲和南美洲拥有设计、制造和销售办事处网络。2019年度3月末,TDK的销售总额约为125亿美元,全球雇员105,000人。
2. Skyworks Solutions, Inc
Skyworks Solutions, Inc.是成立于1962年特拉华州的公司。
Skyworks Solutions, Inc.连同其综合附属公司是高性能模拟半导体的创新者。凭借核心技术,Skyworks公司支持汽车、宽带、蜂窝基础设施、能源管理、全球定位系统、工业、医疗、军事、无线网络、智能手机和平板电脑的应用程序。
公司的产品组合包括放大器、衰减器、环形器、解调器、检测器、二极管、定向耦合器、前端模块、混合动力汽车、基础设施射频子系统、隔离器、照明和显示解决方案、混频器、调制器、光耦合器、光隔离器、移相器、 锁相环/合成器/ 压控振荡器 、功率分配器/合成器、电源管理器件、接收器、开关和工业陶瓷。该公司的主要客户包括思科、爱立信、富士康、通用电气、谷歌、霍尼韦尔、宏达电、华为、 因创公司、 LG电子、诺基亚、诺斯罗普·格鲁门公司、飞利浦、三星、胜赛斯、西门子、东芝和中兴通讯。2019年公司取得33.77亿美元的收入,毛利率达到47.5%,净利润8.54亿美元。
3.国睿科技
国睿科技是由中国电子科技集团公司第十四研究所整合旗下优质产业资源和业务板块组建而成的一家国有控股企业。主要产品包括雷达整机系统和子系统、大功率脉冲电源、微波组件、变动磁场微波铁氧体器件、轨道交通控制系统以及二次雷达集成产品等。
公司微波器件产品包括铁氧体器件和其他微波器件产品。公司已成为中兴通讯滤波器产品的主要供应商。2018年公司军品以配套有源相控阵雷达的环形器和隔离器为主。民用微波器件产品系为中兴通讯提供的4G滤波器/双工器产品,由于市场竞争日益剧烈,投标毛利率日益走低。
- 上一篇:Working principle and application of coupler [2021-12-06]
- 下一篇:射频电缆如何选型 [2021-12-02]







