隔直器可防止频谱分析仪损坏
2017-06-14 10:42:13 点击:
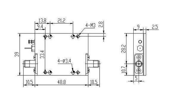
隔直器主要应用于各种航空雷达、工业控制、无线通信、有线电视、医疗电子等领域。小批量研制到规模化生产灵活的产品策略满足客户各种特殊要求,全方位的技术服务。为此隔直器在频谱分析仪使用中功能如下:

前端过载会引起前端部件的损坏。对所测信号电平有所了解以避免分析仪前端元器件的损坏。典型的最大射频输入信号电平是30dBm,在打开或关闭所连接的设备或被测件之前,关断或减小被测件/信号源的功率以防止突然的电压增大或下降对分析仪的输入输出带来的影响。
这时,正确应用隔直器抑制了会损坏昂贵测量设备的低频信号,理想地应用于高频示波器或有偏压的微波电路里。

前端过载会引起前端部件的损坏。对所测信号电平有所了解以避免分析仪前端元器件的损坏。典型的最大射频输入信号电平是30dBm,在打开或关闭所连接的设备或被测件之前,关断或减小被测件/信号源的功率以防止突然的电压增大或下降对分析仪的输入输出带来的影响。
这时,正确应用隔直器抑制了会损坏昂贵测量设备的低频信号,理想地应用于高频示波器或有偏压的微波电路里。
- 上一篇:宽带偏置器在电路扼流圈选择 [2017-06-16]
- 下一篇:T型偏置器技术应用 [2017-06-08]







